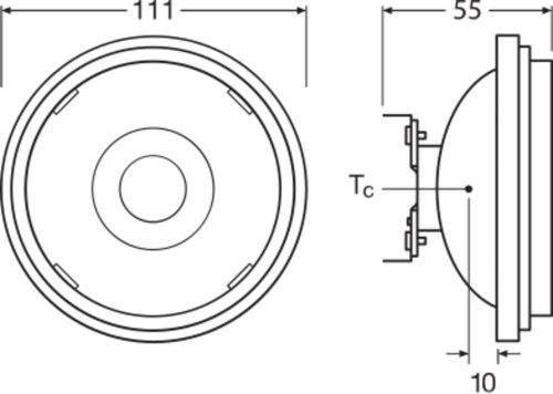
LED izzó G53 reflektor AR111 7.4W = 50W 450lm 2700K Meleg 24° CRI97 12V Szabályozható Ledvance
4 519 Ft
